J-XM型液壓平衡隔膜計量泵
產品描述:性能特點(1)流量大至150L/h,壓力高達16Mpa;(2)手動沖程調節可達±1% 控制;(3)獨特的隔膜檢測,避免危險無泄漏;(4)獨特的三閥裝置;(5)可配專用PLC沖程控制器,進行自動控制,亦可變頻實現4-20毫安信號自動調控;

產品描述:性能特點(1)流量大至150L/h,壓力高達16Mpa;(2)手動沖程調節可達±1% 控制;(3)獨特的隔膜檢測,避免危險無泄漏;(4)獨特的三閥裝置;(5)可配專用PLC沖程控制器,進行自動控制,亦可變頻實現4-20毫安信號自動調控;
性能特點
(1)流量大至150L/h,壓力高達16Mpa;
(2)手動沖程調節可達±1% 控制;
(3)獨特的隔膜檢測,避免危險無泄漏;
(4)獨特的三閥裝置;
(5)可配專用PLC沖程控制器,進行自動控制,亦可變頻實現4-20毫安信號自動調控;
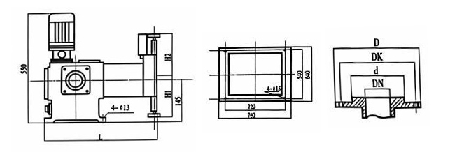
技術參數
型號規格 | 流量 (L/h) | 壓力 (Mpa) | 安裝尺寸(mm) | ||||||
DN | D | K | d | H1 | H2 | L | |||
J-XM-1.5/16 | 1.5 | 16 |
4
5
8 |
75 |
50 |
33 |
142 |
182 |
535 |
J-XM-2/16 | 2 | 16 | |||||||
J-XM-3/16 | 3 | 16 | |||||||
J-XM-4/10 | 4 | 10 | |||||||
J-XM-5/10 | 5 | 10 | |||||||
J-XM-6/10 | 6 | 10 | |||||||
J-XM-7/6.4 | 7 | 6.4 | |||||||
J-XM-7.5/6.4 | 7.5 | 6.4 | |||||||
J-XM-10/6.4 | 10 | 6.4 | |||||||
J-XM-9/4.0 | 9 | 4.0 | |||||||
J-XM-13/4.0 | 13 | 4.0 | |||||||
J-XM-18/4.0 | 18 | 4.0 | |||||||
J-XM-22/2.5 | 22 | 2.5 | |||||||
J-XM-30/2.5 | 30 | 2.5 | |||||||
J-XM-35/2.5 | 35 | 2.5 | |||||||
J-XM-46/1.6 | 46 | 1.6 | |||||||
J-XM-60/1.6 | 60 | 1.6 | |||||||
J-XM-66/1.6 | 66 | 1.6 | |||||||
J-XM-76/1.0 | 76 | 1.0 | |||||||
J-XM-96/1.0 | 96 | 1.0 | 10 | 95 | 65 | 46 | 147 | 187 | |
J-XM-120/0.5 | 120 | 0.5 | |||||||
J-XM-150/0.5 | 150 | 0.5 | |||||||
電機功率:0.37KW-0.55KW 轉速:1400r/min
安裝尺寸(mm)
